1、两相流测量分析技术在CSBG研究中的应用
气液两相流研究中气相的统计学和动力学测量对两相流的建模、流动阻力、传热传质等问题有着重要的影响,准确地测量气泡群的气泡尺寸、形状、位置、动力学速度等参数,可以为分析两相流的关键参数如气泡动力学轨迹、含气率分布、滑移速度比等提供支持。其中,气泡大小的参数对气泡流具有重要意义。气泡尺寸是微气泡湍流减阻的关键参数,同样受限于产生不同尺寸气泡的困难,微气泡湍流减阻的尺寸效应需要进一步研究。
连续谱气泡发生器(Continuous spectrum bubble generator, CSBG)是上海交通大学团队提出的,一种能够产生尺寸连续可控气泡的气泡发生器,引入伺服电机和旋转叶轮,通过控制叶轮转速调整机械剪切强度,使产生的气泡尺寸达到预期值。其最大特点是能在相同的气液流动工况(气相、液相流量不变)的条件下获得设定尺寸的气泡,可用于气液两相流的各个研究领域中。
上海交通大学团队在研究连续谱气泡发生器原理时,开展了可视化实验研究,通过千眼狼高速摄像机结合两相流测量分析技术分析了该发生器的宏观特性,验证了连续谱气泡发生器(CSBG)的可靠性,相应研究成果发表在了国际知名期刊《Chemical Engineering Science》中,引用格式:Chen, W., Huang, G., Hu, Y., Yin, J., & Wang, D. (2022). Experimental study on Continuous Spectrum Bubble Generator with a new overlapping bubbles image processing technique. Chemical Engineering Science,117613.doi:https://doi.org/10.1016/j.ces.2022.117613》
2、实验过程
1/2.实验方法
上海交通大学团队通过伺服电机控制机械剪切的方法控制生成气泡的尺寸,以实现对气泡尺寸的连续控制。由于控制气泡尺寸的困难,实验研究先预估所需要的气泡尺寸,再通过控制气泡发生器的孔径来生成与所需尺寸相近的气泡,并通过高速摄像机观察、两相流测量分析等方法测量实际气泡尺寸。

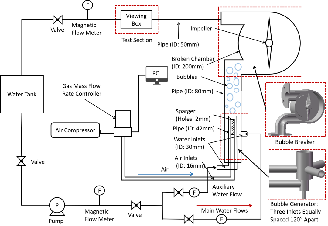
图1 实验回路的示意图
图1为CSBG的宏观特性实验研究回路示意图,是由气泡发生器、高速剪切器、可视化测量段、电磁流量计、气体流量控制器、泵和若干阀、管道等部分组成。为验证CSBG的宏观特性,设定发生器的孔洞直径为2mm,在需要更大或更小源气泡的场景中,可以通过增大、缩小孔径实现。高速剪切器内设置了一台切割叶轮,叶轮由伺服电机驱动,其转速可精确控制到±3rpm,实验中通过控制叶轮的转速来改变其切割的强度,以实现对气泡尺寸的控制。实验回路为内径50mm的圆形流道,为最小化折射率对高速成像的影响,可视化测量段外设置了一个矩形水箱作为观察盒。实验的气液两相介质分别为水和空气,液相流量由电磁流量计测量,气相则由压缩机压缩空气后存储在气罐中,并通过气体流量控制器控制进入回路的气相流量。为确保回路中的气液相分离,回路上部设置了一个大水箱,利用重力实现气液相分离,确保实验入口段没有前序气泡的影响。
影响CSBG气泡尺寸的主要因素有三个:气相流量、液相流量和电机转速。为研究在不同气相、液相流量工况下,电机转速对气泡尺寸的影响,本实验设置了两个实例共23组460个实验点,实验工况如表1所示:

表1 实验条件
2/2.气泡可视化测量
实验利用千眼狼高速摄像机与上海交通大学团队共同开发的两相流测量分析技术,搭建气泡可视化测量实验平台,进一步观察实验过程中对CSBG每组实验气泡群运动过程、尺寸大小进行观察分析。可视化测量对基于凹点检测和快速分段弧聚类的重叠气泡图像进行处理,对气泡图像进行去背景、二值化和边界提取,凹点分割、弧段聚类并拟合获得气泡的尺寸信息。

图2 气泡图像处理技术流程图
3/2.CSBG的实验研究

图3 不同转速下的原始气泡图像
为探索CSBG的初步实验特性,在相同气液流量条件下,研究了不同转速对气泡尺寸的影响。显示了观察窗的典型可视化结果以及不同转速下相应的气泡尺寸分布。如图3所示,当CSBG不工作时(0rpm,3a)由喷雾器产生的气泡群的气泡大小相对均匀。当CSBG开始工作且转速较低时(0-600转/分,图3b和c),叶轮的旋转对气泡尺寸的影响是有限的。虽然气泡图像中会有更多的小气泡散落,但较大的气泡仍然占主导地位。随着叶轮转速的增加(超过600rpm图3d到h),叶轮的旋转使CSBG在气泡破碎中发挥重要作用,从而显著减小气泡尺寸。实验中从气泡图像中可以视觉观察到气泡的气泡尺寸当转速超过600rpm时,气泡群随着转速的增加而迅速减少。如上所述,喷雾器产生的源气泡的气泡尺寸分布预计接近均匀分布,这将使通过高速剪切装置出口处的气泡尺寸分布研究CSBG的特性变得更加容易。

图4 不同转速下相应的气泡尺寸分布
如图4a显示分布器产生的源气泡尺寸大致接近,主要集中在0–3mm范围内。然而,即使叶轮不运行,气泡仍必须通过剪切装置和弯管从分布器到达观察箱。所以可以解释较大气泡和较小气泡的存在。随着叶轮转速的增加,大气泡的破裂加剧,并逐渐从气泡图像中消失。使用对数正态分布模型拟合气泡尺寸分布,可以发现气泡尺寸分布与对数正态分布之间的拟合程度随着转速的增加而增加。这表明当转速相对较高时由CSBG产生的气泡群的气泡尺寸分布近似满足对数正态分布。
此外,气泡发生器的另一个重要参数是气泡尺寸分布。气泡尺寸分布的半峰全宽在这里用于表示气泡尺寸分布的浓度。仔细分析了气泡尺寸分布的所有实验结果。发现当转速超过600rpm时,所有气泡尺寸分布的FWHM都不大于1mm,这表明CSBG产生的气泡集中在一个相对较窄的范围内。![]()

![]()
图5 平均气泡尺寸随转速的变化曲线(a)未拟合(b)拟合(R指转速)
为了定量研究旋转速率对气泡尺寸的影响,科研团队分析了气泡平均直径(AMD和SMD)随旋转速率增加的变化。如图5所示,随着转速的增加,AMD和SMD均显著下降。当转速低于1500rpm时,气泡尺寸随着转速的增加而稳定减小。叶轮的高速旋转为流体旋转提供了能量,旋流的形成加剧了小气泡的聚结。在这一阶段,破裂和聚结相互竞争以保持气泡尺寸的动态稳定性。因此,当转速低于1500rpm时,叶轮的转速对平均气泡尺寸起着重要作用。图5(b)表明AMD具有0.27的旋转速率的幂律,而SMD具有0.37的旋转速率的幂律。当体积空隙率和液体质量流量变化时,CSBG对气泡尺寸的影响显著不同。
团队通过案例详细探讨了体积空隙率对气泡尺寸的影响。CSBG工作区间分为两个区域:初始区域和稳定区域。在0–500rpm范围内,所有体积空隙率条件的结果表明,AMD和SMD与转速的增加几乎没有定量关系,只有波动。

结合高速采集的原始气泡图像结果图,如图6这种现象可以解释为:在初始区域,由于低转速不能形成稳定的高速剪切场。由叶轮旋转提供的能量不足以使气泡稳定地破裂,这导致平均气泡尺寸的不稳定趋势。因此,0-500rpm的区域被认为是CSBG的初始阶段。当叶轮的转速超过500rpm时,平均气泡尺寸随着转速的增加而稳步减小。在该区域,叶轮的高速旋转形成了稳定的剪切场,这为进入剪切场的源气泡的破裂提供了足够的能量。气泡的破裂由叶轮的旋转控制,导致气泡的平均尺寸稳定减小。因此,转速超过500rpm的区域被认为是稳定区域。
3、实验结果
本次实验设计并制作了一台CSBG原型机,研究其在不同工况下的性能。团队通过可视化实验方法和两相流测量系统验证了CSBG产生连续大小气泡的可行性,并得到了CSBG的实验工作曲线,拟合了平均气泡尺寸与转速和气相流量两个影响因素之间的关系。
实验结果表明,CSBG具备在毫米级范围内产生连续尺寸气泡的能力;稳定工作区为500~1500rpm范围,稳定工作区内SMD与转速的-0.37次方成正比;CSBG的BMD随气相表观流速的增加而增加,稳定工作区内SMD与气相表观流速的0.263次方成正比;但与液相表观速度的关系不显著。
参考文献
[1]Chen, W., G. Huang, Y. Hu, J. Yin and D. Wang (2022). "Experimental study on Continuous Spectrum Bubble Generator with a new overlapping bubbles image processing technique." Chemical Engineering Science: 117613 DOI:https://doi.org/10.1016/j.ces.2022.117613.(连续谱气泡发生器)
[2]Song, Y., Y. Qian, T. Zhang, J. Yin and D. Wang (2022). "Simultaneous measurements of bubble deformation and breakup with surrounding liquid-phase flow." Experiments in Fluids 63(5): 1-20. DOI:https://doi.org/10.1007/s00348-022-03431-8(气液两相三维同步测量)
[3]Gong, C., Y. Song, G. Huang, W. Chen, J. Yin and D. Wang (2022). "BubDepth: A neural network approach to three-dimensional reconstruction of bubble geometry from single-view images." International Journal of Multiphase Flow: 104100 DOI:10.1016/j.ijmultiphaseflow.2022.104100.(单相机气泡深度估计方案)
[4]Zhang, T., G. Huang, J. Yin, Z. Zhang, D. Wang, Y. Sun and Y. Liao (2021). "Investigation On Swirl Instability in a Vane-Type Separator with Tomographic PIV." Journal of Fluids Engineering. DOI:https://doi.org/10.1115/1.4052547(气液两相三维同步测量)
(此文源自上海交通大学王德忠博士、尹俊连博士研究团队)